中文 | English
产品展示

产品展示

Product Center

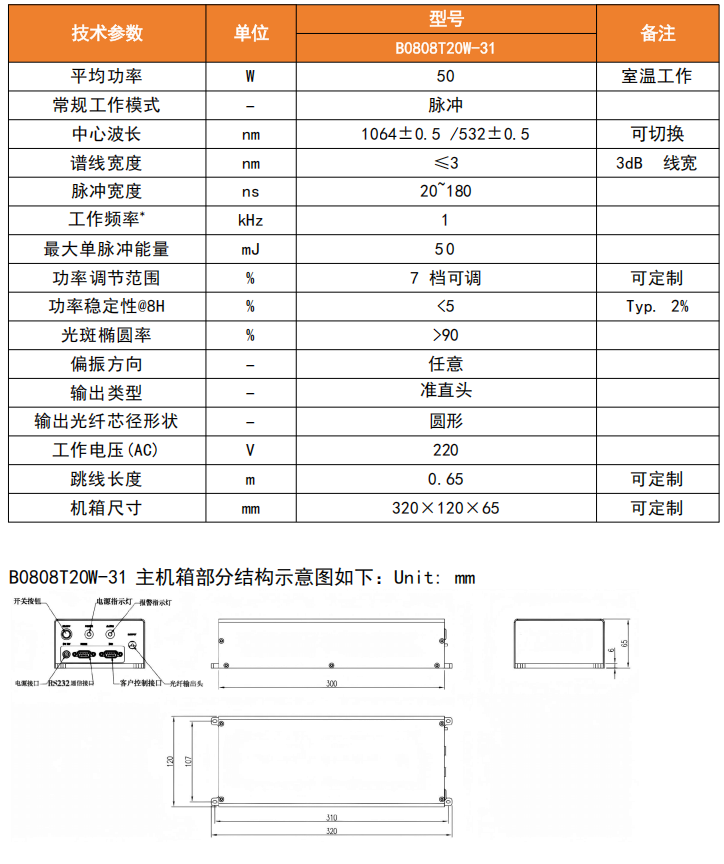
双波长可切换脉冲激光器

双波长可切换脉冲激光器

产品名称:激光光源


产品介绍:本系列包括宽带光源(BBS)及多种脉冲光纤激光器,专为科研、工业加工、生物医学成像、通信测试等高端应用设计。产品以高稳定性、优异的光束质量、灵活的波长与脉宽选择著称。


产品特点:

高性价比

高稳定性

宽波长适配


产品应用:

光纤激光器

光纤通信系统 

实验室研究等



备注:光逞光电可根据客户的需求提供波长、功率、封装形式的定制化光源、激光器产品设计








产品分类
产品详情

image.png